









|
Пескоструйные установки пневматические напорного типа "RAZOR" предназначены для очистки металлических и бетонных конструкций от коррозии, старой краски и других наслоений и подготовки поверхности перед нанесением антикорозийных покрытий. Пескоструйная установка с объемом загружаемой емкости от 100 литров до 200 литров. Установки могут комплектоваться средствами защиты органов дыхания. Укомплектована устройством дистанционного управления включения установки. |
|
|
Все пескоструйные аппараты Contracor ® оснащены эффективным воздушным фильтром-влагомаслоотделителем CAF-0 для предотвращения попадания в бак конденсата и масел от компрессора. Особенно это актуально при использовании старых компрессоров, работе при низких температурах или на большом расстоянии от компрессора. Фильтр CAF-0 удаляет до 98% конденсата и масел из сжатого воздуха. Это предотвращает перебои в работе, связанные с выгрузкой из бака отсыревшего абразива. |
| Руководство по эксплуатации можно скачать тут >>> |
| Абразивоструйные аппараты, комплектующие, СИЗ пескоструйщика, компоненты линии сжатого воздуха. Каталог продукции скачать тут >>> |
| Для питания пескоструйной установки используется сжатый воздух, очищенный от влаги и масла до 2-го класса, давлением 5-7 кгс/см2 и расходом 3-12 м3/мин в зависимости от диаметра сопла (см. табл.2). В качестве абразивного материала должны применяться следующие материалы: стальная или чугунная дробь фракцией 0,1-2,0мм; стальной песок марки СП-17 с размером фракции зерна 0,4-1,6мм; электрокорунд или карбид кремния зернистостью 32, 40, 50, 63, 80, 100, 125 по ГОСТ 3647 с размером частиц 0,4-1,6мм. Абразив должен быть сухим, чистым, не содержать следов масла, грязи, ржавчины. |
| Таблица производительности пескоструйных аппаратов | ||||||
| Диаметр сопла,мм | 6,5 | 8,0 | 9,5 | 11,0 | 12,5 | |
|
Расход воздуха в м3/мин при давлении 8 бар |
4,2 | 6,6 | 9,0 | 11,6 | 16,1 | |
| Средняя производительностьв м2/ч | SA 2 | 10 | 15 | 21 | 28 | 37 |
| SA 2 1/2 | 5 | 9 | 14 | 21 | 28 | |
| SA 3 | 4 | 6 | 9 | 13 | 17 | |
| Средний расход абразива в кг/м2 | SA 2 | 40 | 35 | 32 | 29 | 28 |
| SA 2 1/2 | 58 | 51 | 46 | 42 | 40 | |
| SA 3 | 78 | 68 | 62 | 56 | 54 | |
| Расчет требуемого количества сжатого воздуха (м3/мин.) | ||||
| Диаметр сопла, мм | Потребляемый объем воздуха | Плюс шлем | Плюс 50% резерв | Минимально требуемый объем воздуха |
| 6.5 | 2.3 | 0.5 | 1.4 | 4.2 |
| 8.0 | 3.9 | 0.5 | 2.2 | 6.6 |
| 9.5 | 5.5 | 0.5 | 3.0 | 9.0 |
| 11.0 | 7.2 | 0.5 | 3.9 | 11.6 |
| 12.5 | 9.6 | 0.5 | 5.0 | 16.1 |

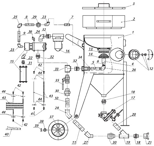
| Поз. | Артикул | Наименование | Количество | |
| RAZOR-100RC | RAZOR-200RC | |||
| 1 | 80900016 | Бак пескоструйный | 1 | - |
| 80900017 | Бак пескоструйный | 1 | ||
| 2 | 88200003 | Сито | 1 | - |
| 88200004 | Сито | 1 | ||
| 3 | 81100058 | Крышка | 1 | - |
| 81100059 | Крышка | - | 1 | |
| 4 | 11500001 | Шток | 1 | 1 |
| 5 | 81600024 | Патрубок | 1 | - |
| 81600026 | Патрубок | - | 1 | |
| 6 | 81600025 | Патрубок | 1 | - |
| 81600027 | Патрубок | - | 1 | |
| 7 | 81600028 | Патрубок Ду20 I | 1 | 1 |
| 8 | 81600029 | Патрубок Ду20 II | 1 | 1 |
| 9 | 81600030 | Патрубок Ду20 III | 1 | 1 |
| 10 | 81600035 | Патрубок | - | 1 |
| 11 | 81600032 | Патрубок | 1 | - |
| 81600036 | Патрубок | - | 1 | |
| 12 | 52150002 | Лючок | 1 | 1 |
| 13 | 10110960 | Кольцо | 1 | 1 |
| 14 | 10110950 | Клапан | 1 | 1 |
| 15 | 10110870 | Клапан дистанционного управления | 1 | 1 |
| 16 | 10110930 | Фильтр | 1 | 1 |
| 17 | 10110860 | Дозатор | 1 | 1 |
| 18 | 10110911 | Ниппель | 2 | 2 |
| 19 | 10110990 | Тройник | 1 | 1 |
| 20 | 10110921 | Сгон | 1 | 1 |
| 21 | 10110900 | Сцепление | 1 | 1 |
| 22 | 52080002 | Угольник | 1 | 1 |
| 23 | 10110956 | Угольник | 2 | 2 |
| 24 | 10110909 | Угольник | 1 | 1 |
| 25 | 10110951 | Угольник | 1 | 1 |
| 26 | 10110953 | Угольник | 1 | 1 |
| 27 | 51800006 | Угольник | 2 | 1 |
| 28 | 51800007 | Угольник | - | 1 |
| 29 | 10110959 | Муфта с накидной гайкой | 1 | 1 |
| 30 | 10110915 | Муфта с накидной гайкой | 2 | 2 |
| 31 | 10110840 | Ниппель | 1 | 1 |
| 32 | 10110924 | Ниппель | 3 | 3 |
| 33 | 10110910 | Тройник | 1 | 1 |
| 34 | 52120006 | Контргайка | 1 | 1 |
| 35 | 52140018 | Кран шаровый | 1 | 1 |
| 36 | 10110828 | Кран шаровый | 1 | 1 |
| 37 | 28300005 | Колесо | 2 | - |
| 28300006 | Колесо | - | 2 | |
| 38 | 64110022 | Шайба | 2 | - |
| 64110026 | Шайба | - | 2 | |
| 39 | 60210440 | Шплинт | 2 | 2 |
| 40 | 10110880 | Пульт ДУ пневматический, DMH | 1 | 1 |
| 41 | 10112401 | Фитинг | 2 | 2 |
| 42 | 10112402 | Фитинг | 6 | 6 |
| 43 | 10112103 | Рукав | 21,5 м | 21,5 м |
| 44 | 90100006 | Хомут ленточный | 8 | 8 |
| Прочие | ||
| Код заказа | 10400101 | |
| ID поста блога для комментариев | 362 | |
| Бесплатная доставка | Да | |
| С этим товаром рекомендуем | Шлем защитный пескоструйщика VECTOR / Фильтр очистки воздуха дыхания BAF / Костюм пескоструйщика Вектор | |
| Модификация | Razor-100RC | |
| Модель | RAZOR DBS-100RC | |
| Элемент каталога | Пескоструйные установки абразивоструйные напорного типа RAZOR-100RC/200RC [1905] | |
|
© 2011—2025 Blastanticor.ru Дальневосточный проспект, 79к1, Санкт-Петербург, 193079 Посмотреть на карте |
(812) 303-06-59 Email: sale@blastanticor.ru
|
Сайт использует необходимые для работы cookies. Продолжая использование, вы соглашаетесь с их применением. Подробнее в политике конфиденциальности